电话 :  +86-17321605009  
24"-467mm NBR橡胶膨胀节
当前所在位置: 网站首页 » 产品展示 » 非金属补偿器 » 橡胶补偿器 » 24"-467mm NBR橡胶膨胀节

与我们联系

地址: 江苏省泰州市姜堰城东工业园区 
手机: 86-17321605009
电话: 86-523-88588220
传真86-523-88588220
QQ:  3033838002 
微信:17321605009
邮箱:  sales@jsbellows.com

loading

分享到:

24"-467mm NBR橡胶膨胀节

NBR橡胶膨胀节根据“柔性橡胶接头”化工标准HG / T2289-1992生产。橡胶补偿器广泛应用于各种工业管道,发电厂,供热管网,污水处理厂,泵站,水处理站和机器等。
状态:
数量:
  • 24" -467MM

  • Fustar

  • 40169910

NBR橡胶膨胀节
NBR橡胶,又称丁腈橡胶和丙烯腈丁二烯橡胶,是丙烯腈和丁二烯的合成橡胶共聚物。NBR橡胶膨胀节用于吸收管道系统的热膨胀和减少管道振动。这种类型的橡胶膨胀节整体长度为95mm~260mm。NBR橡胶膨胀节可以提供良好的机械性能,特别是拉伸性能好,有柔韧性,抵抗气体,油和碳氢化合物的渗透。

 

24"-467MM NBR橡胶膨胀节

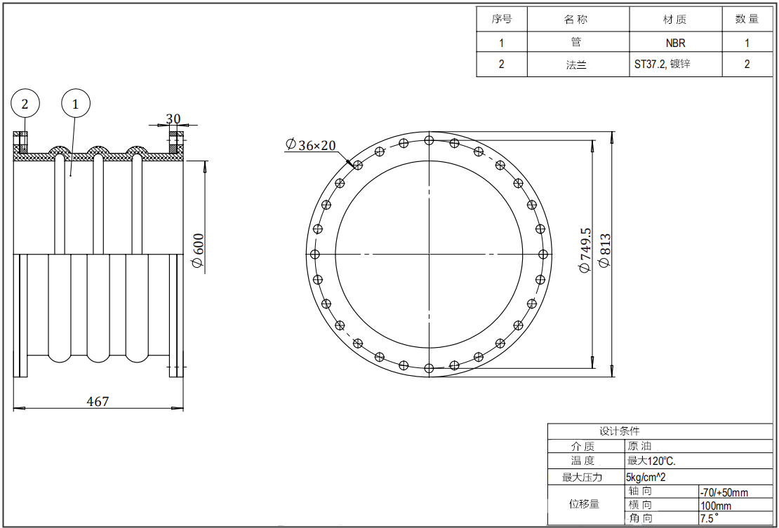
图纸

 

24"- 467mm NBR橡胶膨胀节技术参数

直径:DN600(24")

总长度:467mm

波纹管:NBR橡胶

法兰:碳钢,镀锌

温度:120

工作压力:5bar

轴向运动:-70 / + 50mm

介质:原油

 

NBR橡胶膨胀节的特点

·减少振动

·阻尼声音传输

·补偿横向,轴向,扭转和角向位移

·重量轻

·降低疲劳系数

·减少热量损失

·耐腐蚀

·声阻抗

·更强的抗冲击性


NBR橡胶补偿器适用介质:
水,气体,油,溶剂和油脂。

上一条: 
下一条: 

泰州福斯达贸易有限公司

地址: 江苏省泰州市姜堰城东工业园区
电话: 86-523-88588220
传真: 86-523-88588220
手机: 86-17321605009
QQ: 3033838002
网址:www.jsbellows.com 
邮箱: sales@jsbellows.com