DN100-125mm
Fustar
73072900
DN100-125MM橡胶四氟膨胀节因其出色的耐化学腐蚀性而受到大量的需求,PTFE波纹管衬在橡胶球体内,和两端法兰组合而成。PTFE和EPDM橡胶膨胀节通常用于化工厂,食品工业,柴油发动机,燃气发动机以及废水处理厂等。
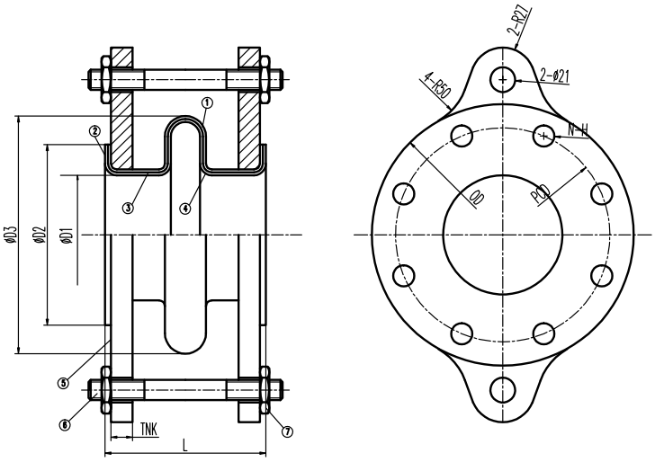
橡胶四氟补偿器图纸和相关参数
![]() | ||
序号 | 名称 | 材料 |
1 | 波纹管 | EPDM橡胶 |
2 | 内衬 | 帘布 |
3 | 基架 | 钢丝 |
4 | 衬垫 | PTFE波纹管 |
5 | 法兰 | 碳钢 |
6 | 拉杆 | 碳钢 |
7 | 螺母 | 碳钢 |
参数(型号:DN100-125mm) | ||
ΦD1 | Φ98 | mm |
ΦD1 | Φ152 | mm |
ΦD1 | Φ200 | mm |
L | 125 | mm |
OD | Φ220 | mm |
PCD | Φ180 | mm |
N-H | 8-Φ18 | mm |
TNK | 18 | mm |
设计温度 | 100 | ℃ |
压力 | 1.0 | Mpa |
轴向位移 | Φ24 | mm |
PTFE厚度 | 2.5 | mm |
PTFE和EPDM橡胶膨胀节特点
·隔离机械振动
·寿命长
·吸收压力激增
·消除电解
·空间要求小
·吸收所有方向位移
·补偿偏差
·经济有效的解决方案
DN100-125MM橡胶四氟膨胀节因其出色的耐化学腐蚀性而受到大量的需求,PTFE波纹管衬在橡胶球体内,和两端法兰组合而成。PTFE和EPDM橡胶膨胀节通常用于化工厂,食品工业,柴油发动机,燃气发动机以及废水处理厂等。
橡胶四氟补偿器图纸和相关参数
![]() | ||
序号 | 名称 | 材料 |
1 | 波纹管 | EPDM橡胶 |
2 | 内衬 | 帘布 |
3 | 基架 | 钢丝 |
4 | 衬垫 | PTFE波纹管 |
5 | 法兰 | 碳钢 |
6 | 拉杆 | 碳钢 |
7 | 螺母 | 碳钢 |
参数(型号:DN100-125mm) | ||
ΦD1 | Φ98 | mm |
ΦD1 | Φ152 | mm |
ΦD1 | Φ200 | mm |
L | 125 | mm |
OD | Φ220 | mm |
PCD | Φ180 | mm |
N-H | 8-Φ18 | mm |
TNK | 18 | mm |
设计温度 | 100 | ℃ |
压力 | 1.0 | Mpa |
轴向位移 | Φ24 | mm |
PTFE厚度 | 2.5 | mm |
PTFE和EPDM橡胶膨胀节特点
·隔离机械振动
·寿命长
·吸收压力激增
·消除电解
·空间要求小
·吸收所有方向位移
·补偿偏差
·经济有效的解决方案