电话 :  +86-17321605009  
DN350*350*160MM非金属矩形补偿器
当前所在位置: 网站首页 » 产品展示 » 非金属补偿器 » 矩形非金属补偿器 » DN350*350*160MM非金属矩形补偿器

与我们联系

地址: 江苏省泰州市姜堰城东工业园区 
手机: 86-17321605009
电话: 86-523-88588220
传真86-523-88588220
QQ:  3033838002 
微信:17321605009
邮箱:  sales@jsbellows.com

loading

分享到:

DN350*350*160MM非金属矩形补偿器

非金属矩形膨胀节主要用于补偿由输送微压粉尘,烟雾,气体和其他气体的管道和设备系统中的温度,机械振动和地基沉降引起的位移。
状态:
数量:
  • DN350 * 350 * 160MM

  • Fustar

  • 73072900

DN350*350*160MM非金属矩形补偿器

       DN350 * 350 * 350mm非金属膨胀节是一种柔性部件,由复合非金属材料组成,端部法兰连接到相邻管道和绝缘材料。非金属波纹膨胀节的引入改变了工程师解决气体转移中热生长问题的方式,这种矩形非金属波纹管膨胀节通常可以在相对较短的安装长度内补偿较大的位移。
        非金属补偿器在大型除尘系统应用中取代了金属装置,降低了成本和重量,并可实现快速,简单的更换。我们设计的非金属织物补偿器可满足您的服务要求,并提供一系列用于低温到高温应用的多层织物补偿器。
 

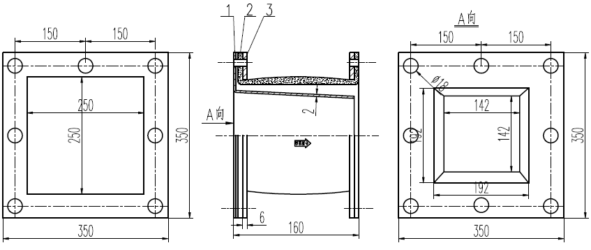
DN350* 350 * 160MM非金属补偿器图纸

拉伸织物伸缩缝

 

结构

1 导流筒

2 五层非金属材料

 1st:SS304钢丝网,厚度0.15mm

 2nd:硅胶布,厚度1.2mm

 3rd:四氟布,厚度0.18mm

 4th:双层玻纤维织物,厚度0.9mm X2 = 1.8mm

   5th:保温毯,厚度10mm

3 法兰

 

非金属织物材质结构图

面料材料图

 

DN350*350*160MM非金属矩形补偿器相关参数

内导流筒材质:不锈钢SS304

内部矩形套筒壁厚:2.0mm

法兰材质:碳钢

法兰厚度:6mm

工作温度:250摄氏度

 

非金属矩形补偿器应用
1. 燃气轮机排气管道 
2. 脱硫系统 
3. 各种工业的烟风道、排气系统 
4. 燃煤锅炉、循环硫化床锅炉以及余热锅炉的烟风道
 

上一条: 
下一条: 

泰州福斯达贸易有限公司

地址: 江苏省泰州市姜堰城东工业园区
电话: 86-523-88588220
传真: 86-523-88588220
手机: 86-17321605009
QQ: 3033838002
网址:www.jsbellows.com 
邮箱: sales@jsbellows.com